心动300秒|   返回主站|   日照站
上一张 下一张
  • 0
  • 1
  • 2
  • 3
  • 4
小区名称:爵世名邸
户型:别墅
面积:501-1000平米
装修风格:其他风格
分享到:
爵世名邸
别墅
建筑面积:501-1000平米
其他风格
喜欢就找TA
设计师
马苏
Detail design
设计细节
设计的初衷就是做一个简单而又温馨的居家场所,房子依湖而建,外观结构为英伦风格。室内用料很不错,处处体现出材料的质感。设计色调把控的比较克制。一家人在此历经一年四季,快乐的生活。

爵世名邸540㎡独栋别墅负一层户型图.jpg

爵世名邸540㎡独栋别墅负一层户型图


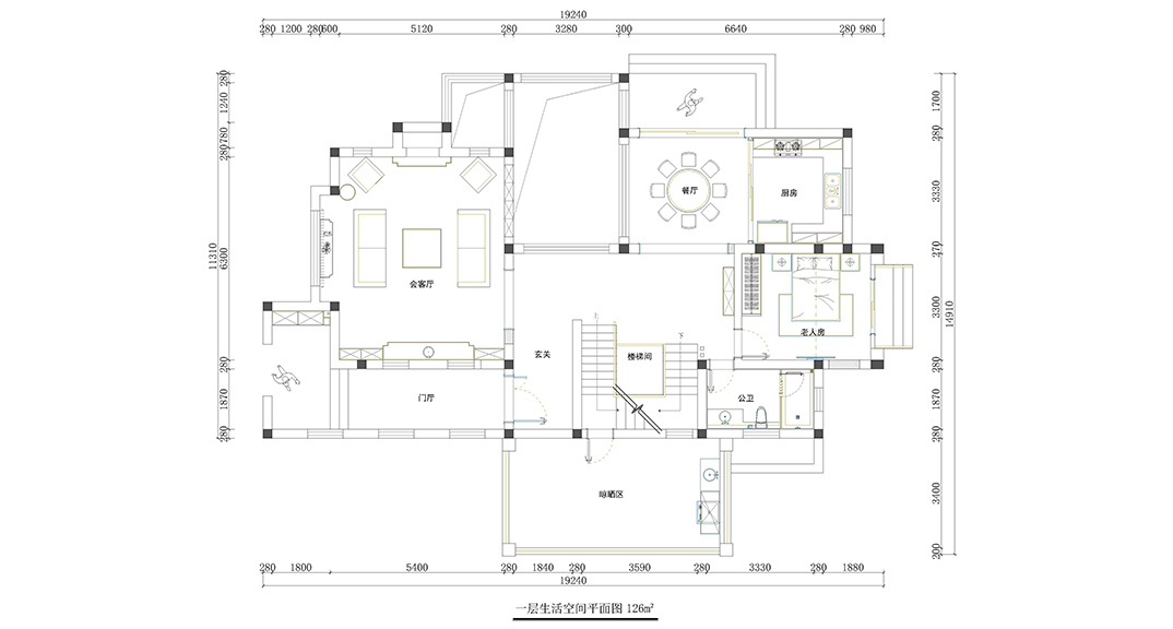
爵世名邸540㎡独栋别墅一层户型图.jpg

爵世名邸540㎡独栋别墅一层户型图


爵世名邸540㎡独栋别墅二层户型图.jpg

爵世名邸540㎡独栋别墅二层户型图


爵世名邸540㎡独栋别墅三层户型图.jpg

爵世名邸540㎡独栋别墅三层户型图


爵世名邸540㎡独栋别墅客厅现代港式风格装修案例效果图.jpg

爵世名邸540㎡独栋别墅客厅现代港式风格装修案例效果图


爵世名邸540㎡独栋别墅客厅电视现代港式风格装修案例效果图1.jpg

爵世名邸540㎡独栋别墅客厅现代港式风格装修案例效果图


爵世名邸540㎡独栋别墅客厅电视现代港式风格装修案例效果图.jpg

爵世名邸540㎡独栋别墅客厅现代港式风格装修案例效果图


爵世名邸540㎡独栋别墅餐厅现代港式风格装修案例效果图.jpg

爵世名邸540㎡独栋别墅餐厅现代港式风格装修案例效果图


爵世名邸540㎡独栋别墅卫生间现代港式风格装修案例效果图.jpg

爵世名邸540㎡独栋别墅餐厅现代港式风格装修案例效果图

一个案例就是一个家的故事 · 值得你慢慢品味
One case is the story of a home
设计一个家就是设计容纳这个家的故事的空间。家里的每一个人用什么样的姿态生活是设计师构思的主线。
东方家园装饰集团总部美学馆
地址:青岛市市南区福州北路18号
服务热线:400-08-39800
东方家园大宅别墅中心(香港东方国际)
地址:青岛市市南区福州北路22号
服务热线:400-08-39800
东方家园老房改造创意中心
地址:青岛市市南区福州北路20号
服务热线:400-08-39800
东方家园黄岛分公司
地址:开发区漓江西路唐岛湾步行街
服务热线:400-08-39800
东方家园城阳分公司
地址:城阳区正阳中路口水街28号
服务热线:400-08-39800
东方家园胶州分公司
地址:胶州市北京路三里河文苑150号
服务热线:400-08-39800
东方家园日照分公司
地址:日照市济南路336号日照书城3F
服务热线:400-08-39800
东方家园焕新家轻装轻改
地址:市南区漳州一路8号
服务热线:400-08-39800

全国统一咨询热线
400-08-39800
Copyright©2021东方家园装饰集团
鲁ICP备10205373号